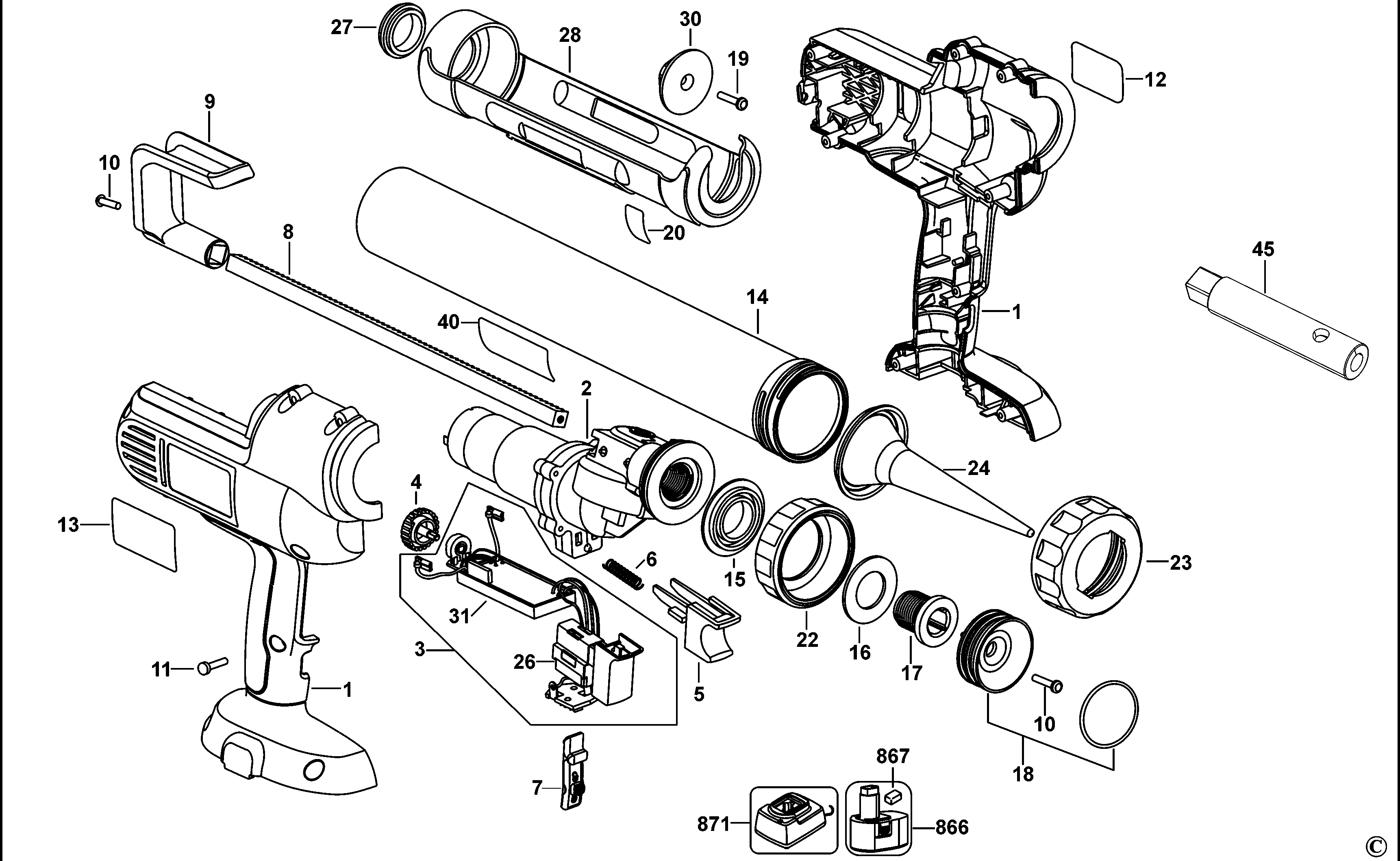
18,0 Volt Akku-Kartuschenpistole
Markieren Sie Positionen, um sie der Merkliste hinzuzufügen.
Wenn Sie fertig sind, legen Sie alle gemerkten Artikel in den Warenkorb.
Gemerkte Positionen: , Artikel gesamt:
Gemerkte Positionen:
| Artikel | Einzelpreis | Anzahl | ||
|---|---|---|---|---|
| # |
|
|
||
| # |
|
|
||
| Zur Zeichnung | Artikel | |||
Stückliste
| # | Anz. | Artikelnr. | Bezeichnung | Preis | ||||
|---|---|---|---|---|---|---|---|---|
| # |
|
Alternative: |
zzgl. MwSt.
|
inkl. MwSt.
|
|
zzgl. MwSt.
|
inkl. MwSt.
|
|
||
|
zzgl. MwSt.
|
inkl. MwSt.
|
|
|||||||
|
zzgl. MwSt.
|
inkl. MwSt.
|
|
|||||||
| Artikel | ||||||||




















Zeichnung wird geladen